工廠地址:深圳市寶安區福永街道鳳凰興業一路華倫科技園21棟2樓
楊 總:13828709518
雷 總:13923457816
郵箱:yangdekai@hctlcd.com
QQ:417594796
Products Center
Contact Us
工廠地址:深圳市寶安區福永街道鳳凰興業一路華倫科技園21棟2樓
楊 總:13828709518
雷 總:13923457816
郵箱:yangdekai@hctlcd.com
QQ:417594796
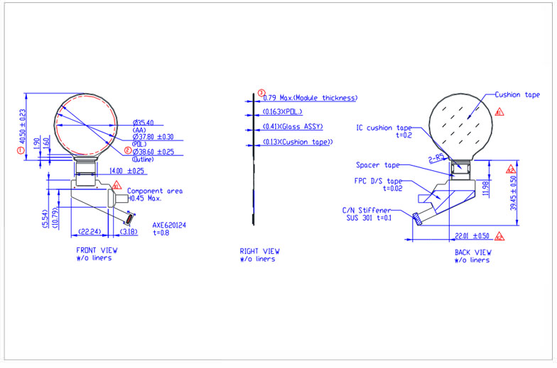
Panel Size | 1.39 inch |
LCD Type | AMOLED |
Module Size | 38.6(W)*40.5(H)*0.7(T) mm |
Display Area | 35.4(H)*35.4(V) mm |
Number of Dots | 400×(RGB)×400 Dots |
Best Viewing Direction | ALL |
Driver IC | RM69080 |
Interface Pins | 20 PIN MIPI |
LED Numbers | OLED |
Luminance | 300 cd/m 2 |
With /Without TSP | Without TP |
產品聲明:
以上產品為我司標準產品,可根據客戶要求進行產品定制;網站上所列產品之外觀、顏色、參數僅供用戶參考,以勛瑞光電生產實物為準,客戶朋友們如對產品有任何疑問請盡快與我們取得聯系,我們將竭誠為您服務,謝謝!